
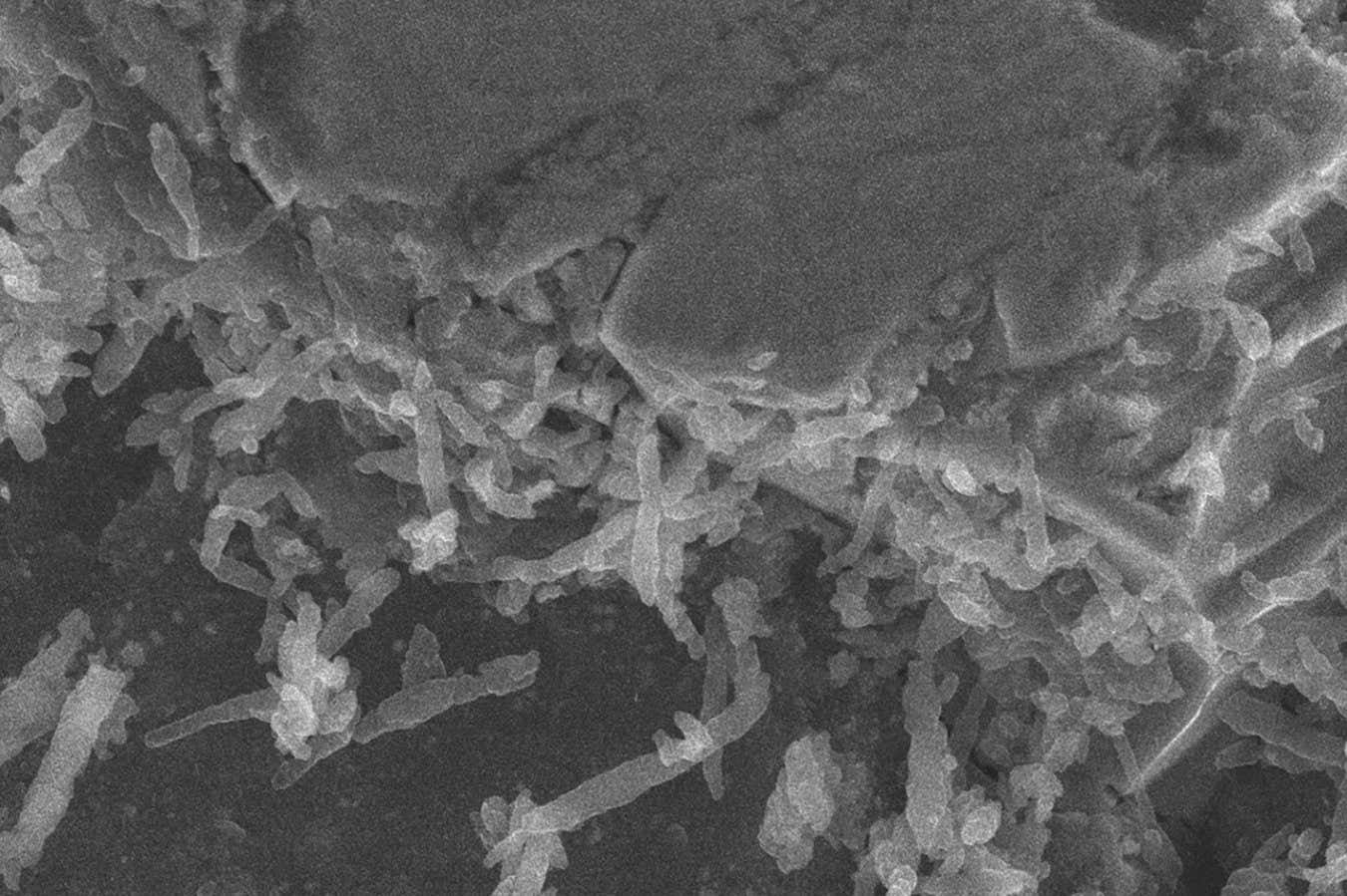
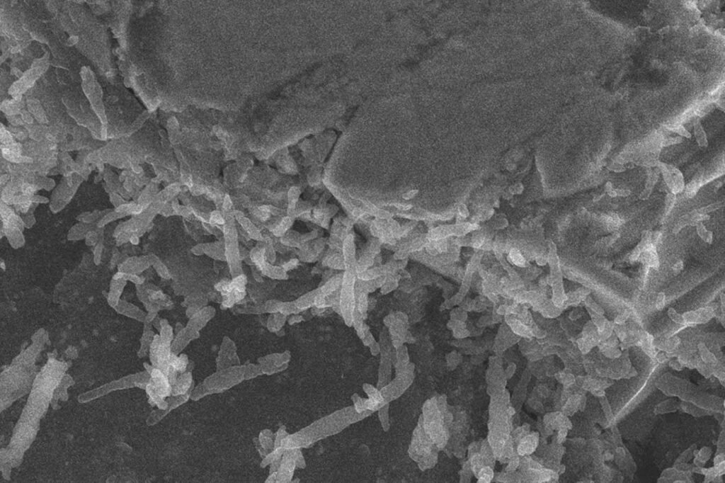
Bacteria from a sample of the asteroid Ryugu, seen with an electron microscope
Matthew J. Genge et al. 2024
A rock from the asteroid Ryugu that returned to Earth appears to be teeming with microbial life. But these microbes almost certainly came from Earth rather than space, the researchers say. This contamination serves as a warning for future sample return missions in the search for extraterrestrial life, such as NASA’s Perseverance rover on mars
In 2020, from Japan Hayabusa 2 spacecraft Ryugu returned to Earth with 5.4 grams of rock from the 4.5-million-year-old asteroid. After the sample capsule landed in Australia, it was moved to a custom-built facility in Sagamihara, Japan. There, the capsule was first opened inside a vacuum chamber, itself located in a clean room, before being transferred to a chamber filled with pressurized nitrogen for longer-term storage. From there, parts of the sample could be placed inside nitrogen-filled containers and sent to researchers for investigation.
One of these samples was sent to the UK for analysis Matthew Genge at Imperial College London and his colleagues. Genge and his team initially scanned the sample using X-rays, which showed no evidence of bacteria.

Ryugu asteroid sample collected by Hayabusa 2
JAXA
Three weeks later, the sample was transferred to a resin, and a week later they were looked at more closely using an electron microscope (SEM). When Genge and his colleagues first looked at the sample and saw what looked like filamentous bacteria, his students were almost “falling off their chairs” at the prospect of finding alien life. “It was an exciting moment, but I also knew in my head from previous research how easy it is for bacteria to colonize rocks,” says Genge.
By following the bacterial growth with SEM measurements, they found that the number of bacteria varied in a manner similar to that of known microorganisms. Genge says that combined with their familiar shape and their lack of previous X-ray scans, it is highly likely that they are of terrestrial origin.
He believes the sample was probably contaminated after being embedded in the resin. It happened at a facility that was also handling space rocks on land, which often contain bacteria adapted to live on rock grains. “It only takes one bacterium or one bacterial spore to make that happen,” he says. “When we’re preparing meteorite samples, for example, we usually don’t see this colonization happening, because the chance is very small. In this case, a single bacterium fell on top of that sample and started to grow.”
Still, it should serve as a warning for future sample return missions, Geng added. “Finding microbes in a space-return sample should really be the gold standard for discovering extraterrestrial life. If we ever did that—fly to Mars, take some samples, come back and find microbes—that’s what you’d call the smoking gun,” says Genge. “But our findings really show that you have to be very careful with that interpretation, because samples are very easily contaminated with bacteria from the soil.”
Javier Martin-Torres The University of Aberdeen, UK, agrees that the change in the population of microbial filaments suggests a terrestrial origin, but that does not rule out the possibility that it came from elsewhere. “When you want to determine that these microorganisms are not of extraterrestrial origin, you should do DNA sequencing,” he says.
Scientists already knew that bacteria were very good at living on meteorite samples that landed on Earth, but this only strengthens the bacteria’s ability to survive on other materials in the solar system. “Microorganisms can use organic materials inside meteorites to sustain themselves — they’re eating subterranean snacks,” says Geng. “So maybe there’s an ecosystem, a pretty sparse ecosystem, but a Martian ecosystem that’s sustained by manna from the sky, meteorites falling on the surface.”
Topics:
